• +375 29 7505208
  • г. Минск, переулок Кабушкина 17Б, гараж 48
  • Пн-Пт: 10:00-18:00
Мы в соцсетях:
BelInjector
  • ГЛАВНАЯ
  • ФАЙЛЫ
  • СХЕМЫ
  • СТАТЬИ
  • ФОТО
  • КОНТАКТЫ

СХЕМЫ

KE Jetronic ЭБУ 25 контактов (двигатели 1.8 JN)

KE Jetronic ЭБУ 25 контактов двигатели 2.0 RT

KE Jetronic ЭБУ 35 контактов - двигатели NF/AAR/NG

KE Motronic - двигатели 2.0 ACE/AAD/3A/9A

Распиновка KE-MOTRONIC

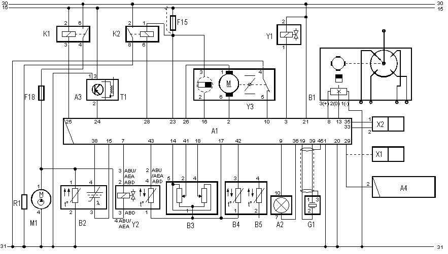
Турбо-двигатели (MC/KG/1B)

Блок 25 контактов на K-Jetronic

Блок 35 контактов на K-Jetronic

Распиновка ЭБУ старых VAG (PDF)

 

Mono-jetronic 25 pin (1)

Mono-jetronic 25 pin (2)

Mono-jetronic 25 pin (3)

 

Mono-motronic 35 pin (1)

Mono-motronic 35 pin (2)

Mono-motronic 35 pin (3)

 

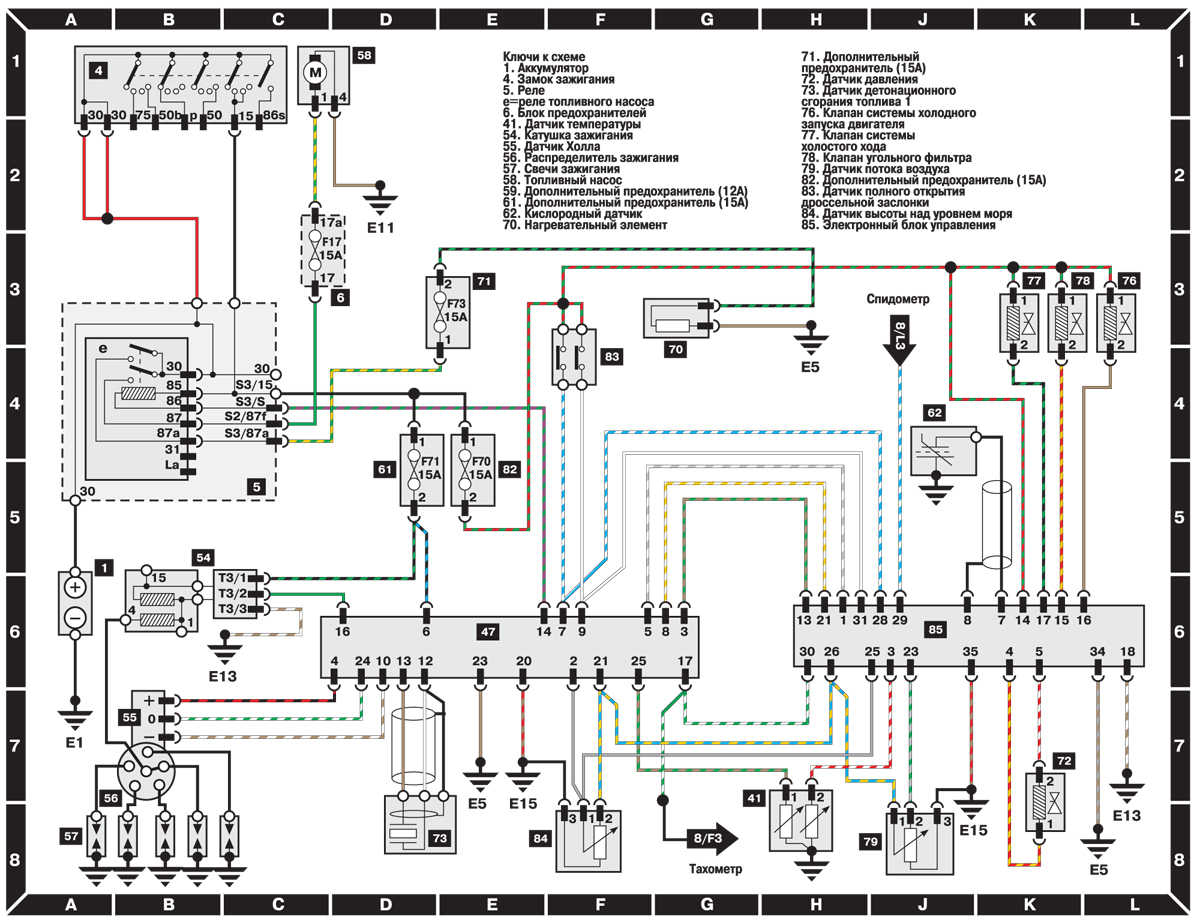
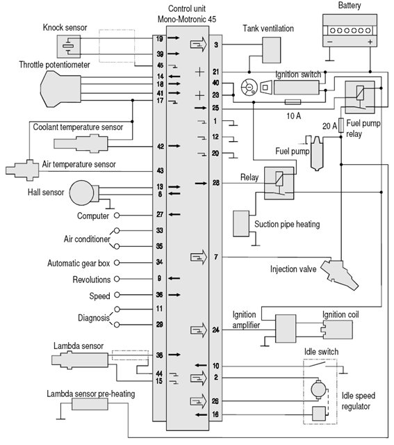
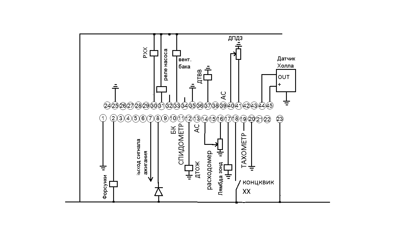
Mono-motronic 45 pin (1)

Mono-motronic 45 pin (2)

Mono-motronic 45 pin (3)

 

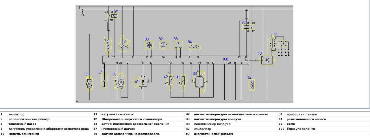
Digifant 38 pin

Digifant 45 pin

... BelInjector

Мы давно и успешно меняем устаревшую механическую систему впрыска K/KE Jetronic и KE-Motronic на современную электронную систему впрыска BELINJECTOR.

Контакты

  • г. Минск, переулок Кабушкина 17Б, гараж 48
  • +375 29 7505208 Минск
  • +375 33 3555054 Брест
  • +375 29 5955045 Витебск
  • +375 44 7943235 Могилев
    • Пн-Пт: 10:00-18:00

Ссылки

  • Файлы
  • Схемы
  • Статьи
  • Фото
  • Контакты